English
Español
Português
русский
Français
日本語
Deutsch
tiếng Việt
Italiano
Nederlands
ภาษาไทย
Polski
한국어
Svenska
magyar
Malay
বাংলা ভাষার
Dansk
Suomi
हिन्दी
Pilipino
Türkçe
Gaeilge
العربية
Indonesia
Norsk
تمل
český
ελληνικά
український
Javanese
فارسی
தமிழ்
తెలుగు
नेपाली
Burmese
български
ລາວ
Latine
Қазақша
Euskal
Azərbaycan
Slovenský jazyk
Македонски
Lietuvos
Eesti Keel
Română
Slovenski
मराठी
Srpski језик |
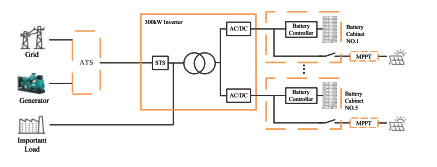
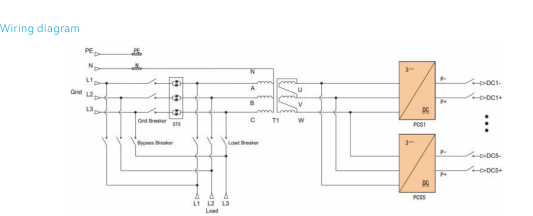
Feature Systema invertentibus unitatibus modularibus in conformatione parallelis utitur, ubi uterque inversus moduli DC initus correspondet arcae altilium dedicatae; ut per- botri administratione inter circulationem excursus intercedit chordarum altilium. AC/DC in potentia modulorum flexibilem instruere in utroque quantitate et potentia rating cum maxima capacitate 60kW modulorum in V-unitatis parallelae figuratio. AC output a potentia modulorum per transformatorem liberatur separatim output scaena praebens potestatem oneri fortiter resistendo concussa vena. Hybrida ESS adhibet integrationem dc-iunctam photovoltaicam, altam attingens navitas conversionis efficientiam et optimized pro off-eget missionibus cum PV facultatem generationis excedentem onus exigunt; Velit rated MPPT moderatoris coniungens et MPPT functiones integras in unam clausuram obduratam. Integram systema pellentesque generantis ATS optionis includit, 300kW hybrid inverter, PV MPPT moderatoris et machinae systematis energiae repositae.
Feature Systema invertentibus unitatibus modularibus in conformatione parallelis utitur, ubi uterque inversus moduli DC initus correspondet arcae altilium dedicatae; ut per- botri administratione inter circulationem excursus intercedit chordarum altilium. AC/DC in potentia modulorum flexibilem instruere in utroque quantitate et potentia rating cum maxima capacitate 60kW modulorum in V-unitatis parallelae figuratio. AC output a potentia modulorum per transformatorem liberatur separatim output scaena praebens potestatem oneri fortiter resistendo concussa vena. Hybrida ESS adhibet integrationem dc-iunctam photovoltaicam, altam attingens navitas conversionis efficientiam et optimized pro off-eget missionibus cum PV facultatem generationis excedentem onus exigunt; Velit rated MPPT moderatoris coniungens et MPPT functiones integras in unam clausuram obduratam. Integram systema pellentesque generantis ATS optionis includit, 300kW hybrid inverter, PV MPPT moderatoris et machinae systematis energiae repositae.
Specifications |
|||||
| exempla | P200TS-400-A | P250TS-400-A | P300TS-400-A | ||
|
DC-parte parametri |
Voltage range | 650-950Vdc | |||
| Per-module initus switch | 250A | ||||
| Numerus canalium DC | 3 viam | 4 viam | 5 via | ||
|
AC-Parametrorum (Eget coniuncta) |
Rated output potentia | 200kW | 250kW | 300kW | |
| Maxime output potentia | 220kW | 275kW | 330kW | ||
| Rated output current | 289A | 361A | 433A | ||
| THDi | <3% | ||||
| Eget type | 3W+N+PE | ||||
| Voltage range | 360Vac~ 440Vac | ||||
| Frequency range | 45~55Hz/55~65Hz | ||||
| Potentia factor | -1~1 | ||||
|
Insulanus AC-parte parametri |
Rated output potentia | 200kW | 250kW 300kW | ||
| Rated output voltage | 400Vac | ||||
| Rated output frequency | 50/60Hz | ||||
| THDu | <1% lineari, <5% nonlineari<1% lineari, <5% nonlineari | ||||
| ONERO facultatem | CX% cultro ad X minutes110% ad 10mins | ||||
|
malesuada euismod Translatio et switchgear |
Tutela bypass switch | 400A | 630A | ||
| Eget virgas | 630A | 800A | |||
| Onus permutat | 400A | 630A | |||
| STS unit | 577A/400kW | 722A/500kW | |||
| Switching tempore | <20ms | ||||
|
Systema parametri |
Apicem efficientiam | 97.5% | |||
| operating temperatus | -30~55℃-30~55℃(Derating above 40℃) | ||||
| Relativum humiditas | 0~95%RH,0~95%RH,Non-condensing | ||||
| Dimensiones (L*D*H) | 1300×1050×2050mm | ||||
| Pondus | 1400kg | 1700kg 1800kg | |||
| IPgrade | IP21 IP21(Full set) | ||||
| sonitus | <70dB | ||||
| Propono screen | LCD tactus screen | ||||
| BMS communicationis | CAN | ||||
| EMS communicationis | TCP/IP | ||||