English
Español
Português
русский
Français
日本語
Deutsch
tiếng Việt
Italiano
Nederlands
ภาษาไทย
Polski
한국어
Svenska
magyar
Malay
বাংলা ভাষার
Dansk
Suomi
हिन्दी
Pilipino
Türkçe
Gaeilge
العربية
Indonesia
Norsk
تمل
český
ελληνικά
український
Javanese
فارسی
தமிழ்
తెలుగు
नेपाली
Burmese
български
ລາວ
Latine
Қазақша
Euskal
Azərbaycan
Slovenský jazyk
Македонски
Lietuvos
Eesti Keel
Română
Slovenski
मराठी
Srpski језик
Product features
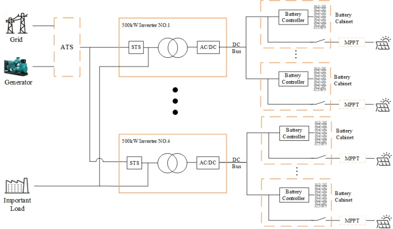
1.Loads excedentes 500 kW, commendatur uti magna capacitate 500 kW unius-unitatis energiae invertentis repositae, quae possunt sustentare usque ad quattuor notas parallelas nexus, atotal potentiae e 2 MW; assequendi.
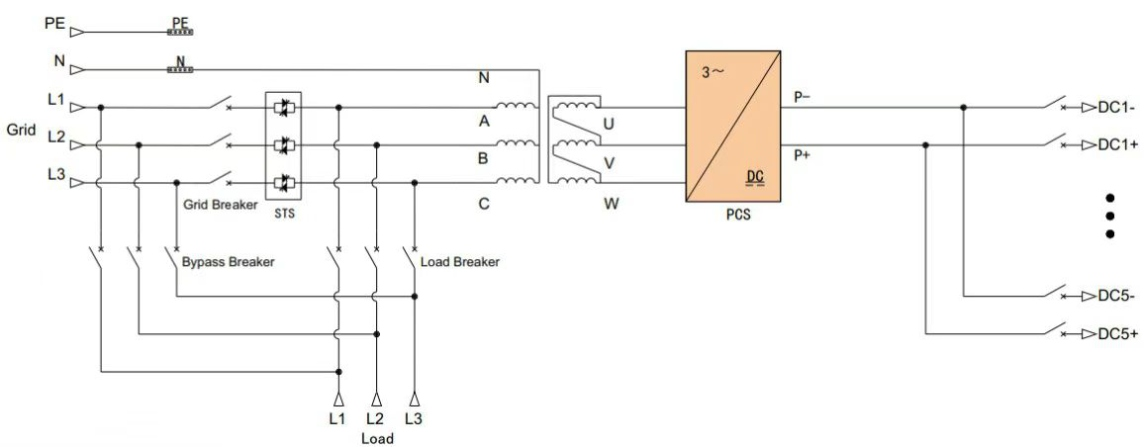
2. Cum multiplices systemata 500 kW operandi in parallelis et distribuendis STSacross diversis 500 kW invertoribus, cruciabile est ut funem ab eculeo ligaminis ad punctum oneris iunctis consistent.
3. Hybrida ESS adhibet integrationem photovoltaicam DC-iunctam, summo energiae conversionis efficientiam assequendo, et optimized pro missionibus apud PV generationis pro off- gridis capacitate exigendo nimio onere; Velit rated MPPT
moderatores in unum clausuram obduratam integrant et MPPT functiones. Systema integrum includit optionis generantis ATS pellentesque, invertentis hybridarum 300kW, PV MPPT moderatoris, et altilium
industria repono ratio.


Specification
| exempla | P500TS-400-A | |
|
DC-parte parametri |
Voltage range | 500-950V |
| Maxime current | 1128A | |
| Rated output potentia | 500kW | |
|
AC-Parametrorum (Eget coniuncta) |
Maxime output potentia | 550kW |
| Rated output current | 722A | |
| THDi | <3% | |
| Eget type | 3W+N+PE | |
| Voltage range | 360VAC~ 440VAC | |
| Frequency range | 45~55Hz/55~65Hz | |
| Potentia factor | -1~1 | |
| Rated output potentia | 500kW | |
|
AC latus parametri (Off-Grid) |
Rated output voltage | 400V |
| Rated output frequency | 50/60Hz | |
| THDu | <1% Load linear, | |
| ONERO facultatem | 110%10 Minuta | |
| Tutela bypass switch | 1250A | |
|
Off-eget switch et configuratione switch |
DC switch | 1250A |
| Onus switch | 1250A | |
| Eget switch | 1250A | |
| STS unit | 1155A/800kW | |
| Switching tempore | <20ms | |
|
Systema parametri |
Peakefficiency | 97.5% |
| operating temperatus | -30~55℃ (Derating supra 40℃) | |
| Relativum humiditas | 0 ad 95% RH, Non-condensing | |
| Dimensiones (L*D*H) | 1600×1050×2050mm | |
| Pondus | 2700kg | |
| IPgrade | IP21 IP21 (Complete apparatus) | |
| sonitus | <70dB | |
| Propono screen | LCD | |
| BMS communicationis | CAN | |
| EMS communicationis | TCP/IP | |